Jump to content

cwolfey

Edge Member
  • Posts

    3
  • Joined

  • Last visited

Everything posted by cwolfey

  1. Changed my factory bulbs to H11 6K HID, works great in the factory projector...plus retains the High beam with only one bulb since its the shutter that moves for high Small adjustment to one of the tabs on the bulb and it twist locked right in. Just thought I would share.
  2. Metra Electronics will have one soon, for single din & double din My opinion, they have better quality than scosche
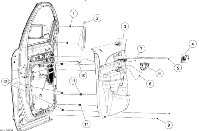
  3. Removal and Installation MKX Vehicles 1. Remove the front door switch panel. Disconnect the electrical connectors. Edge Vehicles 2. Remove the front door inside handle bezel. All Vehicles 3. Remove the window control switch.. 4. Remove the 2 front door trim panel bolts. 5. Remove the 3 front door trim panel screws. 6. Disengage the bottom of the door trim panel from the door. Pull outward on the trim panel to disengage the push pins and retaining clip from the door. 7. Lift the top of the door trim panel edge upward and out of the belt line moulding. 8. Lift the door trim panel up and off of the lock rod. 9. Remove the front door trim panel. Disconnect the electrical connectors.
×
×
  • Create New...