Jump to content

Oxygen sensor testing. Wiring diagram confusion


ymerameha

Recommended Posts

Hello forum!

 

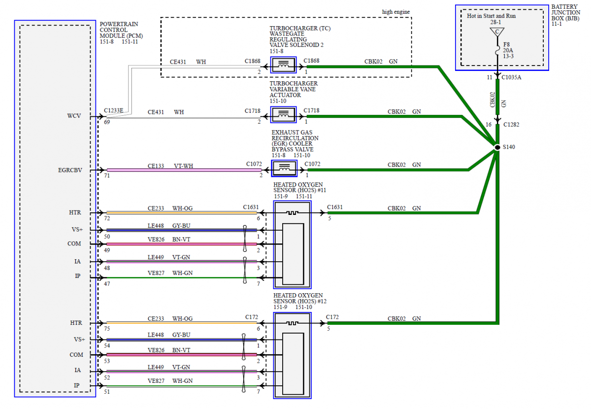
I'm having a bit of trouble interpreting the wiring diagrams. Which heated oxygen sensor wire on the diagram is the signal wire? VS+?

Is there somewhere the meanings of these abbreviations?

What do the rest of the wire abbreviations for this sensor mean?

wiring.thumb.PNG.629dcd1f2a75f66fca2db291783d7937.PNG

 

Many thanks in advance to those who answered.

Since I don't know much English myself, it's quite difficult to figure out what these abbreviations mean.

Link to comment
Share on other sites

Join the conversation

You can post now and register later. If you have an account, sign in now to post with your account.
Note: Your post will require moderator approval before it will be visible.

Guest
Reply to this topic...

×   Pasted as rich text.   Paste as plain text instead

  Only 75 emoji are allowed.

×   Your link has been automatically embedded.   Display as a link instead

×   Your previous content has been restored.   Clear editor

×   You cannot paste images directly. Upload or insert images from URL.

Loading...
×
×
  • Create New...