Jump to content

Running Boards and electric coolant heaters of 2025 Lincoln Nautilus


Recommended Posts

I got my 25 Nautilus FHEV days ago. I found that there are fuses (41 and 110) for running boards, while 3 fuses (21, 33 and 58) for electric coolant heaters are missing compared with the 24 models.

I wonder if there are OEM running boards and electric coolant heaters that I can installed after market.

Does anyone have the 24 Nautilus service workshop manual that can be shared with me?

identifying the fuses in the under hood fuse box.png

DSC05075.JPG

Link to comment
Share on other sites

  • 3 weeks later...

Welcome to the Forum @SummerBreeze!

 

The 2024/2025 Nautilus wiring resources for the North American, Asia Pacific, and European market regions all depict a Power Running Board (PRB) module and circuits supporting power deployed/retracted running boards -- however -- there is absolutely no depiction of any related components or procedures associated with power running boards in the various regional Workshop Manuals, beyond this Module communication description...

 

image.png.3af21c066289fe05f8419503139d280b.png

image.png.fedf28c7f0a20987beab846b0fe2919b.png

 

Additionally, there is also no mention of power running boards among official accessories listed for 2024/2025 Nautilus.

 

Power Running Board-related wiring diagrams, along with connector details and locations, are attached below as PDF documents.

 

 

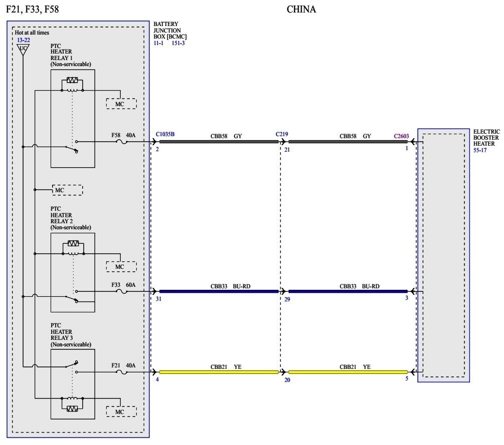
The Battery Junction Box's (BJB) F21/F33/F58 fuse positions are associated with relayed circuits for the China-market Nautilus' Electric Booster Heater...

 

ElectricBoosterHeater-CHINA-PowerDistributionWiringDiagram-2025Nautilus.thumb.jpg.9fc0f9fdf8d44729cc7b60c47b5231b2.jpg

 

 

SupplementalClimateControl-ComponentLocationIllustration-2025NautilusWorkshopManual.thumb.jpg.75a077b8b2a88cc94d8a57ed569388b4.jpg

image.png.af96ffe6df989f277af35639f4346d25.png

 

Ford's online parts-selling site only shows a cover which closes the Climate Control Housing opening into which the Electric Booster Heater (element) is inserted for China-market Nautilus...

 

ElectricBoosterHeaterOpeningCover-NORTHAMERICA-2025Nautilus.thumb.jpg.50fa22a4b6a472d11670566e7a737223.jpg

 

Related wiring diagram and Workshop Manual procedure are attached below as PDF documents...

 

Good luck!

 

Power Running Board (PRB) Module & Motors - Wiring Diagram - 2024 Nautilus.pdf Power Running Board (PRB) Module - Connector C3313B - Pin-Circuit Details - 2024 Nautilus.pdf Power Running Board (PRB) Module - Connector C3313A - Pin-Circuit Details - 2024 Nautilus.pdf Power Running Board (PRB) Module - Connectors C3313A & C3313B - Location - 2024 Nautilus.pdf Power Running Board (PRB) Motor, LH - Connector C3185 - Pin-Circuit Details - 2024 Nautilus.pdf Power Running Board (PRB) Motor, LH - Connector C3185 - Location - 2024 Nautilus.pdf Power Running Board (PRB) Motor, RH - Connector C3186 - Pin-Circuit Details - 2024 Nautilus.pdf Power Running Board (PRB) Motor, RH - Connector C3186 - Location - 2024 Nautilus.pdf Power Running Board (PRB) Module - Power Distribution - Wiring Diagram - 2024 Nautilus.pdf Electric Booster Heater - CHINA - Power Distribution Wiring Diagram - 2025 Nautilus.pdf Electric Booster Heater - CHINA - Removal and Installation - 2025 Nautilus Workshop Manual.pdf

Edited by Haz
  • Like 2
Link to comment
Share on other sites

Join the conversation

You can post now and register later. If you have an account, sign in now to post with your account.
Note: Your post will require moderator approval before it will be visible.

Guest
Reply to this topic...

×   Pasted as rich text.   Paste as plain text instead

  Only 75 emoji are allowed.

×   Your link has been automatically embedded.   Display as a link instead

×   Your previous content has been restored.   Clear editor

×   You cannot paste images directly. Upload or insert images from URL.

Loading...
×
×
  • Create New...