GhostRider Posted May 11, 2024 Report Share Posted May 11, 2024 What’s up with the wimpy horn? Did a search on here and it came up with 2 different part numbers: FA1Z-13832-A — ‘15-‘23 Edge, Level 3 horns FA1Z-13832-B — ‘15-‘18 Edge, Level 2 horns - Anyone have a video of how either sounds, preferably the Level 3 since it’s what I need? - How do you install it? - Is it plug & play? Quote Link to comment Share on other sites More sharing options...
GTEyes Posted May 11, 2024 Report Share Posted May 11, 2024 Funny you mention this. I noticed yesterday, while being cut off and honking, at how wimpy the horn was on my '24. Wondering if I have one of the lesser horns. it doesn't sound like it has 2 or 3 tones in it..Sounds like one very weak tone. See attached vid. IMG_9601.MOV Quote Link to comment Share on other sites More sharing options...
lildisco Posted May 11, 2024 Report Share Posted May 11, 2024 (edited) I don't remember what version I installed, maybe 2 tone, but it's from the 2015-2018 version edge & I'm quite pleased with it. Moar better than the whimpy beep beep OEM horn. Install took less than 10 minutes. I went in through the drivers front wheel liner with the wheel turned all the way to the right & popped it out. Plug & play. Let me see if I can find the thread. https://www.fordedgeforum.com/topic/32355-change-single-note-horn-to-dual-note-horn/#comment-233940 Edited May 11, 2024 by lildisco 1 Quote Link to comment Share on other sites More sharing options...
GTEyes Posted May 30, 2024 Report Share Posted May 30, 2024 Anyone install this? Says it fits Fords and is universal fit (always nervous of that statement) and the connector seems to be right but I haven't seen anything from anyone saying it fits 2019+ Edges. https://www.amazon.ca/FIAMM-7201622-Dual-Assembly-Chrysler/dp/B07BG848B5/ref=cm_cr_arp_d_product_top?ie=UTF8 1 Quote Link to comment Share on other sites More sharing options...
garycrist Posted May 30, 2024 Report Share Posted May 30, 2024 I would put the Fiaam air horns on. I had the dual airs on my Kawasaki LTD 1000. I do not know how many AMPS the horn circuit will pass so a relay might be needed. Anywhere it is mounted, it WILL BE HEARD! Also those are the same type of horn found on Alphas,Ferrari Fiat. Mount the horns pointing down to keep water out of the trumpets too. As a side note, those horns were too loud for New York. So, we had to install a "City Horn" like the single found on our Edges! Quote Link to comment Share on other sites More sharing options...
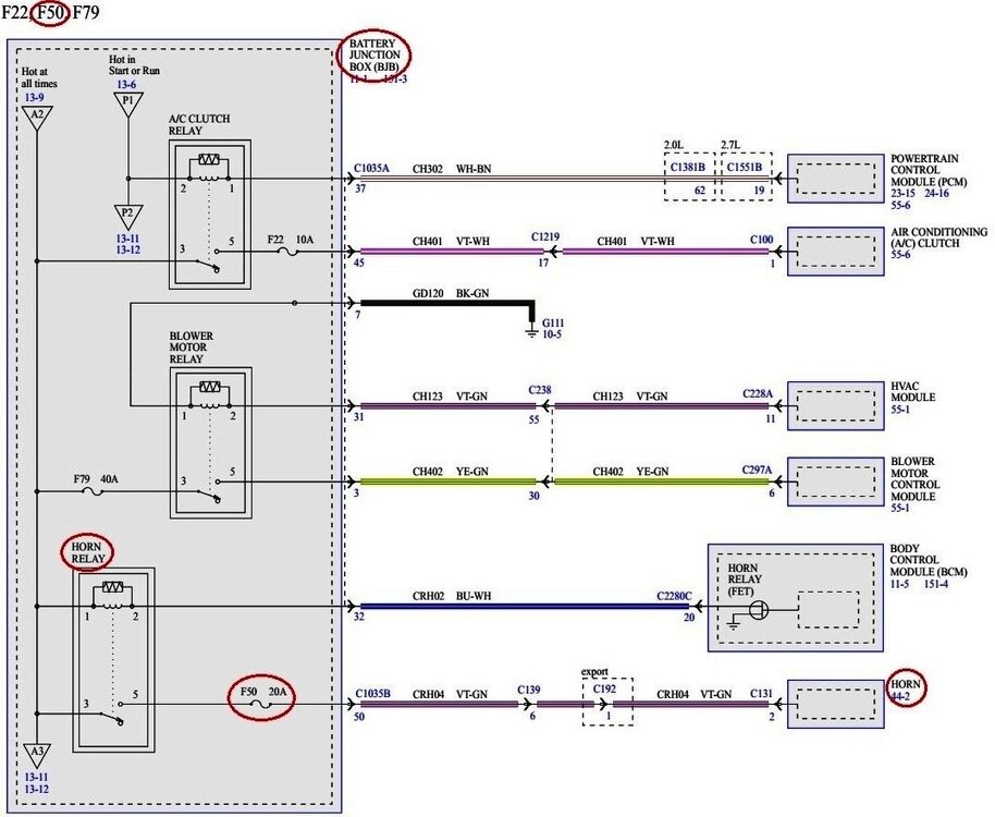
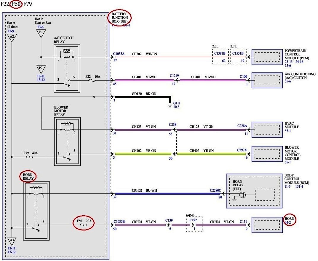
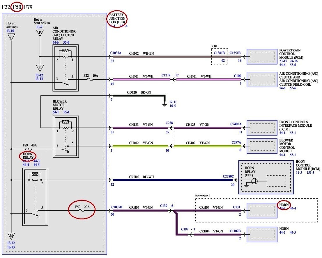
Haz Posted May 30, 2024 Report Share Posted May 30, 2024 (edited) From the 2020 & 2024 Edge Wiring Resource, the horn circuit is protected with a 20-amp fuse, as shown in the wiring diagrams below... And the 2024 Edge Wiring Diagram... Information of the Horn electrical connector C131 is attached below as a PDF document... Good luck! Horn - Connector C131 Circuits-Pins Details - 2020 & 2024 Edge.pdf Edited May 30, 2024 by Haz 3 Quote Link to comment Share on other sites More sharing options...
GTEyes Posted May 30, 2024 Report Share Posted May 30, 2024 5 hours ago, Haz said: From the 2020 & 2024 Edge Wiring Resource, the horn circuit is protected with a 20-amp fuse, as shown in the wiring diagrams below... And the 2024 Edge Wiring Diagram... Information of the Horn electrical connector C131 is attached below as a PDF document... Good luck! Horn - Connector C131 Circuits-Pins Details - 2020 & 2024 Edge.pdf 107.76 kB · 1 download Seeing the shape of the connector is helpful for figuring out if the "universal" plug will fit. Thanks! Quote Link to comment Share on other sites More sharing options...
Wubster100 Posted May 31, 2024 Report Share Posted May 31, 2024 I just removed my bumper and I only have 1 horn mounted. It looks like there is a bracket for a second note horn. Just remove the driver's side headlight and you can access the horn. Quote Link to comment Share on other sites More sharing options...
Haz Posted May 31, 2024 Report Share Posted May 31, 2024 Headlamp Assembly - Removal and Installation - 2022-2024 Edge workshop Manual.pdf Good luck! Quote Link to comment Share on other sites More sharing options...
GTEyes Posted June 3, 2024 Report Share Posted June 3, 2024 Taking a chance and ordered the FIAMM 7201622. I will let you guys know if it's plug and play. Connector looks to match the OEM. Looking through the Amazon comments, it see it fits Explorers and other Ford models, so here's hoping! 2 Quote Link to comment Share on other sites More sharing options...
GTEyes Posted June 4, 2024 Report Share Posted June 4, 2024 So it arrived and it appears someone put their old, used horn in the box and it somehow made it's way to me 😕 I will have to order another. 1 Quote Link to comment Share on other sites More sharing options...
garycrist Posted June 5, 2024 Report Share Posted June 5, 2024 What a bummer! Quote Link to comment Share on other sites More sharing options...
GTEyes Posted June 5, 2024 Report Share Posted June 5, 2024 9 hours ago, garycrist said: What a bummer! Totally. Thought I was saving 7 bucks! New order arrives Friday so hopefully this order is the right one. On a positive note, removing the headlight was quite easy, so this is a very easy mod! I say this every time, but I PROMISE I will take pictures next time, especially of the little bracket thing that's under the headlight that holds it in. I presume others will find it helpful. 1 Quote Link to comment Share on other sites More sharing options...
GTEyes Posted June 7, 2024 Report Share Posted June 7, 2024 (edited) New horn arrived, and has been installed. Fits like OEM! Here are a few pointers. I purchased these horns from Amazon, https://www.amazon.ca/dp/B07BG848B5?psc=1&ref=ppx_yo2ov_dt_b_product_details Connection is the same as OEM, Getting the headlight out is easy. 2 screws and one pop fastener. Instructions provided previously by others helped. There is a plastic piece under the headlight that snaps into a plastic piece on the car, if you wiggle the headlight enough it pops out. Once the headlight is out, you can see the horn down below, remove it and the bracket as one unit by removing the screw from the metal bracket. The electric connector for the stock horn is snapped in by a clip (I stuck a little screw driver up and released the clip as I pulled the horn). Watch out when you are removing the bolt from the horn bracket as the two pieces (bolt and metal retainer) will fall down onto the plastic cover on the bottom of the engine, so make sure you have a good drip on them! If they do fall down, it's not too much trouble to get them. Once horn and bracket are out of the car, I installed the two new horns on the old bracket from the car and reinstalled. As others mentioned, leave the top horn off until you get the bracket snugged on tight as it will be in the way otherwise. Sounds like a real car now! IMG_9756.mov Edited June 7, 2024 by GTEyes 2 Quote Link to comment Share on other sites More sharing options...
garycrist Posted June 8, 2024 Report Share Posted June 8, 2024 Nice job! 1 Quote Link to comment Share on other sites More sharing options...
Recommended Posts
Join the conversation
You can post now and register later. If you have an account, sign in now to post with your account.
Note: Your post will require moderator approval before it will be visible.