Rmmcgrew Posted July 18, 2012 Report Share Posted July 18, 2012 I am looking for wiring diagrams and information on the Stock SEL "6" Speaker System and Head Unit. I have searched everywhere and cannot find a reliable source. I am willing to pay for them, but can't find.. Is it too soon for a 2013 Edge? Specific Questions: 1. Head Unit Wiring Diagram? 2. Is the Amplifier Contained in the Head Unit? 3. Available Space / Location for an New Amplifier? Thanks in Advance! Mike Quote Link to comment Share on other sites More sharing options...
Rmmcgrew Posted July 18, 2012 Author Report Share Posted July 18, 2012 Forgot to mention, this does have MFT and Navigation System... M.... Quote Link to comment Share on other sites More sharing options...
Tphord Posted September 4, 2014 Report Share Posted September 4, 2014 I am looking for wiring diagrams and information on the Stock SEL "6" Speaker System and Head Unit. I have searched everywhere and cannot find a reliable source. I am willing to pay for them, but can't find.. Is it too soon for a 2013 Edge? Specific Questions: 1. Head Unit Wiring Diagram? 2. Is the Amplifier Contained in the Head Unit? 3. Available Space / Location for an New Amplifier? Thanks in Advance! Mike I am looking for this as well Quote Link to comment Share on other sites More sharing options...
xerose Posted October 14, 2014 Report Share Posted October 14, 2014 I found this a while ago in these forums it is the only thing I could find, I bought new speakers and a sub that I have had for at least 6 months and I am ging to install them very soon so I am re reviewing my notes from looking this stuff up a while ago. I have a 2013 SEL. Car Radio Battery Constant 12v+ Wire: White/Red#02 Car Radio Accessory Switched 12v+ Wire: Blue (remote-out)Car Radio Ground Wire: Black/BlueCar Stereo Antenna Trigger: Yellow/GreenCar Stereo Amp Trigger Wire: Purple/Red---#08 Left Front Speaker Positive Wire (+): White#21 Left Front Speaker Negative Wire (-): White/Brown---#11 Right Front Speaker Positive Wire (+): White/Purple#12 Right Front Speaker Negative Wire (-): White/Orange---#09 Left Rear Speaker Positive Wire (+): White/Green#22 Left Rear Speaker Negative Wire (-): Brown/Yellow---#10 Right Rear Speaker Positive Wire (+): Brown/White#23 Right Rear Speaker Negative Wire (-): Brown/Blue 1 Quote Link to comment Share on other sites More sharing options...
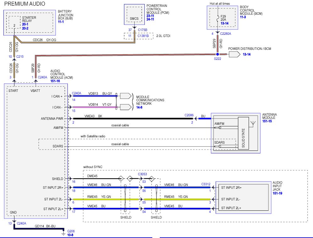
chipworkz Posted October 18, 2014 Report Share Posted October 18, 2014 (edited) Here are the actual Diagrams. If you need any others, let me know. I am not sure why the thumbnails are out of order but oh well. Edited October 18, 2014 by chipworkz 2 Quote Link to comment Share on other sites More sharing options...
Tphord Posted October 27, 2014 Report Share Posted October 27, 2014 Here are the actual Diagrams. If you need any others, let me know. I am not sure why the thumbnails are out of order but oh well. Hi chipworkz, I think there may be chassis wire harness & connector placement drawings in that same source you used for the other drawings. If you do have that, could you post some of the drawings showing the harness and connectors for the rear passenger and rear deck areas? I'm trying to identify the easiest/best places to tap into the harness for a bridging sub-amp and power connections to save tearing the whole car apart. Thanks in advance ! tphord5 Quote Link to comment Share on other sites More sharing options...
chipworkz Posted October 27, 2014 Report Share Posted October 27, 2014 Tphord, let me know if this works for you. If you only have the 6 speaker system, I am not sure if there will be any of the audio wiring shown in the Rear Quarter diagram. 2 Quote Link to comment Share on other sites More sharing options...
TheWizard Posted October 28, 2014 Report Share Posted October 28, 2014 Very helpful information but I'm curious... how does this forum's management feel about the posting of copyrighted information without express permission? I think Ford and Helm might not be too happy that portions of their $180 service manual are being distributed here and that could lead to unwanted legal action. Under the DMCA, they could have the whole site taken down without warning. Just food for thought. Quote Link to comment Share on other sites More sharing options...
Tphord Posted October 28, 2014 Report Share Posted October 28, 2014 Tphord, let me know if this works for you. If you only have the 6 speaker system, I am not sure if there will be any of the audio wiring shown in the Rear Quarter diagram. Hi Chipworkz, thanks very much for sharing these - they will be a huge help to me! What source do you have for these excellent diagrams? I would like to buy a copy for my own use. I went to my FORD dealer and they only had one B/W book, would not sell me one and said FORD does not offer it for purchase. Quote Link to comment Share on other sites More sharing options...
TheWizard Posted October 28, 2014 Report Share Posted October 28, 2014 The Ford factory service manual is available from Helm Inc at: http://www.helminc.com/helm/welcome_retail_frd.asp?Style=helm You can buy the DVD for about $180 or you can use it online for short periods ($11 for 3 days, $20 for a month, $109 for a year). Quote Link to comment Share on other sites More sharing options...
Tphord Posted October 28, 2014 Report Share Posted October 28, 2014 The Ford factory service manual is available from Helm Inc at: http://www.helminc.com/helm/welcome_retail_frd.asp?Style=helm You can buy the DVD for about $180 or you can use it online for short periods ($11 for 3 days, $20 for a month, $109 for a year). Thanks, I'll check this out, appreciate you posting the link. Quote Link to comment Share on other sites More sharing options...
chipworkz Posted October 28, 2014 Report Share Posted October 28, 2014 Hi Wizard, I don't want to get into trouble or get the site into trouble. If sharing this information for personal use here is a no no, I will take them down. Quote Link to comment Share on other sites More sharing options...
TheWizard Posted October 28, 2014 Report Share Posted October 28, 2014 Not my call. I just mention it because the situation came up on another forum where I'm a moderator. It's really up to the admin and moderators on this forum to decide. Quote Link to comment Share on other sites More sharing options...
WWWPerfA_ZN0W Posted October 28, 2014 Report Share Posted October 28, 2014 If you made the entire factory manual available for free/sale, that might be a problem. I think you are ok as is, chipworkz Quote Link to comment Share on other sites More sharing options...
Tphord Posted October 28, 2014 Report Share Posted October 28, 2014 Not my call. I just mention it because the situation came up on another forum where I'm a moderator. It's really up to the admin and moderators on this forum to decide. What were the findings & resolution for that other forum? Quote Link to comment Share on other sites More sharing options...
TheWizard Posted October 28, 2014 Report Share Posted October 28, 2014 It varied... some of the individual schematics that were obvious scanned book images and had been posted on a large number of other sites were left up on the assumption that they were commonly available. Other schematics that were higher quality captures from electronic manuals were taken down to avoid any potential issues. I don't think the copyright holders ever complained about any of them but the site is owned by a corporation that runs a large number of similar sites and they didn't want to take any chances. Quote Link to comment Share on other sites More sharing options...
Tphord Posted October 28, 2014 Report Share Posted October 28, 2014 It varied... some of the individual schematics that were obvious scanned book images and had been posted on a large number of other sites were left up on the assumption that they were commonly available. Other schematics that were higher quality captures from electronic manuals were taken down to avoid any potential issues. I don't think the copyright holders ever complained about any of them but the site is owned by a corporation that runs a large number of similar sites and they didn't want to take any chances. Fair enough, however I tend agree with wwwperfA_ZN0W's take on it, the owner paid on the order of $180 for his right to use his manual as he sees fit... sharing a few pages to answer a specific question out of the enormous amount of documentation in the DVD is pretty insignificant and not likely to trigger anyone's need to lawyer up. Google images are full of this sort of info for other areas of interest... models, years, circuit etc... Quote Link to comment Share on other sites More sharing options...
akirby Posted October 28, 2014 Report Share Posted October 28, 2014 I think it's ok as long as it's only a few pages here and there in direct response to a question. If it was posting sections of the manual for general reference then that would be a problem. 2 Quote Link to comment Share on other sites More sharing options...
akirby Posted October 28, 2014 Report Share Posted October 28, 2014 And BTW - you can't use copyrighted material "as you see fit" - that's why it's copyrighted. There are certain things you can and can't do with it. E.g you can't make copies and sell them. Quote Link to comment Share on other sites More sharing options...
SERB Posted February 18, 2022 Report Share Posted February 18, 2022 Hi Guys, Anyone here who has Audio wiring diagram for the auxiliary? i am trying to add one more subwoofer in my FORD Edge 2012 Sport but i could not find any specific diagram for this unit CT4T-19C107-CD. I was expecting that there was a connection diagram behind the unit. Hoping to get some positive feedback from you guys. Regards, SERB Quote Link to comment Share on other sites More sharing options...
Recommended Posts
Join the conversation
You can post now and register later. If you have an account, sign in now to post with your account.
Note: Your post will require moderator approval before it will be visible.