Jump to content

2010 Edge Limited AdvanceTrac button not lighting.


Recommended Posts

2010 Edge Limited AWD. When starting th AdvanceTrac button on the instrument panel is not lighting up. So I don't know if the system is working.

 

Which fuse box is the fuse located ? What fuse number(s) is assigned for this system ?

 

Thanks, Hodgie

Link to comment
Share on other sites

I understand that you expect the Traction Control switch to light up briefly at Engine Start-up, in conjunction with the Instrument Cluster's bulb-check routine.

 

I also understand that your Edge is not showing any Diagnostic Trouble Codes (DTCs) on your Code Scanner/Reader, nor any Check Engine Light (CEL), nor any other adverse messages or indicators, so you are concerned that a faulty fuse or circuit breaker may be responsible for the lack of any Traction Control status expressed by the Traction Control Switch lighting up or extinguishing in response to your button pushing, highlighted by the red oval in the following photo...

 

Hazard-TractionControl-PassengerAirbagDeactivationSwitchAssembly-PHOTO-2010Edge.jpg.3fbe6d7d0e37386886fa0c5c12f2ad7d.jpg

 

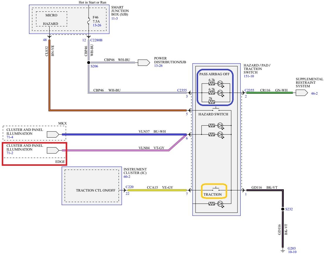
Looking to the 2010 Edge wiring diagram, which I've highlighted with blue, red, and gold boxes...

 

TractionControlSwitch-WiringDiagramWITHHIGHLIGHTEDFEATURES-2010Edge.thumb.jpg.b0e429acb3625fd634623557a33ff365.jpg

 

image.png.0c6a0065eb1af2f1ff544c94dac7014d.png

 

 

You may notice the depiction of the Passenger Airbag Off switch within the blue box includes an LED symbol directly in the circuit that the switch interrupts or completes. When the switch completes its circuit, the LED lights up and illuminates the words Passenger Airbag Off to express the status of the passenger airbag on the face of that switch button.

 

You may also notice the depiction of the Traction Control switch within the gold box does not include an LED symbol directly in that circuit, meaning the button itself does not provide any system status feedback by lighting up.

 

Other LEDs depicted in the wiring diagram provide the Traction Control/Hazard/Passenger Airbag Deactivation switch assembly with nighttime backlighting, delivered by the red-boxed Cluster and Panel Illumination circuits that backlight the various switches and other controls inside the cabin.

 

So, the wiring diagram shows the Traction Control switch is not designed to light up or extinguish in response to button pushes, and its behavior that you are seeing is normal, not faulty.

 

Looking next to the 2010 Edge Owner Guide, page 225, which I've highlighted with red and blue boxes...

 

SwitchingOffAdvanceTracwithRSC-2010EdgeOwnerGuidePage225.thumb.jpg.529946c27d970db7cb020c6d384f301d.jpg

 

Regarding your expectation of something Traction Control-related lighting up at Engine Start-up, the red-boxed and blue-boxed portions of the above Owner Guide page shows that the Sliding Car icon, representing in part the Traction Control system, does light up briefly during the Engine Start-up in the Instrument Cluster and in response to Traction Control button pushes, as shown as red-surrounded Item 26 in the below illustration...

 

InstrumentCluster(IC)-IllustrationandFeaturesLegend-2010Edge.thumb.jpg.80d600d3bda772f4ea676701cc63c3ce.jpg

 

So, recapping in response to your initial question...

 

The Traction Control switch has no capacity to light up in response to button pushes, and, the status of the Traction Control system and other Anti-Lock Brake System (ABS) attributes is expressed by the Sliding Car icon in the Instrument Cluster.

 

Traction Control switch is operating as designed, with it not providing any direct system status feedback, so you don't need to be concerned about that.

 

The Owner Guide provides a fairly comprehensive description of ABS features and their behavior.

 

Included below is a portion of the 2010 Edge Workshop Manual that provides a more technical explanation of your Edge's ABS.

 

And finally, because I understand you wish to learn more about about your Edge, attached at the bottom, as a PDF document, is the 2010 Edge section of the SourceBook, an informational reference supplied to dealership sales personnel, which you may enjoy reading.

 

Good luck!

 

Placing your device cursor over underlined acronyms may yield full-words descriptions of those acronyms, below.

 

Principles of Operation

 

Standard ABS

The standard ABS module manages anti-lock braking to maintain vehicle control during deceleration.

When the ignition switch is in the RUN position, the ABS module does a preliminary electrical check and, at approximately 20 km/h (12 mph), the hydraulic pump motor is turned on for approximately one-half second. During this time, a buzzing or humming noise may be heard and a vibration maybe felt in the brake pedal. This is a normal condition. Any malfunction of the ABS disables the stability control and the ABS warning indicator illuminates. However, the power-assist braking system functions normally.

 

The ABS module monitors and compares the rotational speed of each wheel. Wheel speeds are measured by the wheel speed sensor, which electrically senses each tooth of the sensor ring as it passes through the magnetic field of the sensor. When the ABS module detects an impending wheel lock, the ABS module commands the hydraulic pump motor on and commands the Hydraulic Control Unit (HCU) to open and close the appropriate solenoid valves to modulate the brake pressure to the individual brake caliper(s). Once the affected wheel(s) return to the desired speed, the ABS module commands the HCU to return the solenoid valves to their normal position and normal base brake operation is restored.

 

In extreme cold conditions (temperature less than -25°C [-13°F]), the ABS module will briefly operate the hydraulic pump motor when the accelerator is pressed. This is done to warm the brake fluid.

 

Electronic Brake Distribution (EBD)

On initial application of the brake pedal, full pressure is applied to the rear brakes. The ABS module then uses wheel speed input to calculate an estimated rate of deceleration. Once vehicle deceleration exceeds a predetermined threshold, the ABS module closes the appropriate isolation valves in the HCU to hold the rear brake pressure constant while allowing the front brake pressure to build. This creates a balanced braking condition between the front and rear wheels and minimizes the chance of rear wheel lockup during hard braking. As the vehicle decelerates, the valves are opened to increase the rear brake pressure in proportion to the front brake pressure.

 

A slight bump sensation may be felt in the brake pedal when Electronic Brake Distribution (EBD) is active.

 

If ABS is disabled due to DTCs being present in the ABS module, EBD will continue to function unless the DTCs are for wheel speed sensors or the HCU . When EBD is disabled, the ABS warning indicator and (if equipped) the Electronic Stability Control (ESC) warning indicator will be illuminated.

 

ABS with Traction Control, Electronic Stability Control (ESC) and Roll Stability Control (RSC®)

The ABS module with traction control and Roll Stability Control (RSC®) performs the same functions as the standard ABS module. It also performs additional functions specific to traction control and RSC® .

 

Traction Control

When the drive wheels lose traction and begin to spin, with vehicle speed under 100 km/h (62 mph), the ABS module commands the hydraulic pump motor on and commands the HCU to open and close the appropriate solenoid valves to modulate the brake pressure to the brake caliper(s) while simultaneously sending a request to the PCM over the High Speed Controller Area Network (HS-CAN) bus to reduce engine torque to maintain vehicle traction. The PCM accomplishes this by minor incremental timing changes and fewer fuel injector pulses until the ABS module ends the request. The request ends when the driven wheel speed returns to the desired speed. After the vehicle speed exceeds 100 km/h (62 mph), the traction control is accomplished only through the PCM torque control.

 

Electronic Stability Control (ESC)

The ESC system constantly monitors the vehicle motion relative to the intended course. This is done by using sensors to compare the steering input and the yaw rate sensor with that of the actual vehicle motion. The ESC system monitors information from the Steering Angle Sensor Module (SASM) (steering wheel angle and rate of change) and a yaw rate sensor (integral to the stability control sensor cluster) that measures changes in vehicle direction. If the ESC system determines from all these inputs that the vehicle is unable to travel in the intended direction, the system adjusts the brake torque at specific wheels in response to direct measurement of the vehicle motion and reduces engine torque to allow the vehicle to follow the intended course.

 

When the ESC system activates, any of the following can occur:

  • A rumble or grinding sound much like ABS or traction control
  • A small deceleration or a reduction in the acceleration of the vehicle
  • The stability/traction control indicator "sliding-car icon" flashes
  • If the driver's foot is on the brake pedal, a vibration will be felt in the pedal much like ABS

 

Roll Stability Control (RSC®)

The RSC® system constantly monitors the vehicle motion relative to the intended course. This is done by using sensors to compare the steering input and brake application with that of the actual vehicle motion. The system does not activate when the vehicle is traveling in reverse; however, the standard ABS and traction control continue to function as usual. The RSC® system monitors information from the wheel speed sensors, the

Throttle Position (TP) sensor, the SASM (steering wheel angle and rate of change) and a roll-rate sensor (integral to the stability control sensor cluster) that measures changes in vehicle motion. If the RSC® system determines from all these inputs that conditions exist for a potential roll-over event, the system adjusts the brake torque at specific wheels in response to direct measurement of the vehicle roll motion and reduces engine torque to make the vehicle more stable. By adjusting brake torque, the system can reduce the cornering forces and, therefore, the total roll moment acting on the vehicle.

 

When the RSC® system activates, any of the following can occur:

  • A rumble or grinding sound much like ABS or traction control
  • A small deceleration or a reduction in the acceleration of the vehicle
  • The RSC® indicator flashes
  • If the driver's foot is on the brake pedal, a vibration will be felt in the pedal much like ABS

 

Some drivers may notice a slight movement of the brake pedal when the system checks itself. The brake pedal moves when an active test of the brake booster is run.

 

During this test a small amount of pressure is generated at the master cylinder, but no pressure is generated in the brake calipers.

 

Stability/Traction Control Switch

The stability/traction control switch is hardwired to the Instrument Cluster (IC) . The IC communicates switch status to the ABS module via the HS-CAN bus. The stability/traction control switch allows the driver to control use of the traction control system. This is independent of the ABS, ESC and RSC® functions, which cannot be switched off by the driver. Traction control system status is indicated by the stability/traction control indicator "sliding-car icon" in the IC . The system will automatically restore to full functionality when the ignition switch is cycled from OFF to RUN.

 

Stability Control Sensor Cluster

The stability control sensor cluster consists of the yaw rate sensor, roll-rate sensor, lateral accelerometer and longitudinal accelerometer. The lateral accelerometer measures the acceleration which corresponds to the force involved when the vehicle slides sideways. This acceleration has 2 forms.

 

The first is the centrifugal acceleration which is generated when the vehicle travels around in a circle. The second is the acceleration due to gravity. On level ground there is no contribution from this acceleration. However, if the vehicle is parked sideways on a bank or incline, the sensor measures some lateral acceleration due to gravity even though the vehicle is not moving.

 

The longitudinal accelerometer measures the acceleration corresponding to the force involved when the vehicle moves forward and rearward in the horizontal plane, along the centerline of the front and rear wheels.

 

The yaw rate sensor measures the relative vehicle motion about the vertical axis through its center of gravity.

 

The roll-rate sensor measures the rate of rotation along the front to rear horizontal axis.

 

Steering Angle Sensor Module (SASM)

The SASM measures the rate of rotation of the steering wheel by monitoring the steering wheel rotation ring as it passes through the sensor gap.

 

The SASM uses the HS-CAN bus to transmit information to the ABS module about whether the steering wheel is being turned left or right and how far it is being turned.

 

2010 Ford Edge Sourcebook.pdf

Edited by Haz
Link to comment
Share on other sites

Thanks Haz, that is a lot of information to digest. So, according to the owners manual during startup the sliding car icon is supposed to illuminate, it does not.

 

Also according to the owners manual, if you switch off the AdvanceTrac the sliding car icon will illuminate steadily, it does not. And the icon is supposed to remain illuminated until you push the button again.

 

Hence my question about the fuse or circuit breaker.

 

Something is wrong because the LED does not illuminate at all. Ever.

 

Hodgie 

Link to comment
Share on other sites

The LED on the button or the section in the instrument panel? Sounds like the LED in the switch no longer works, but that should have no bearing on the functionality. If when first turning to ignition on and all lights are tested does the instrument cluster light for traction control not light, then it is an issue with the cluster. If it does light up during bulb test/prove out, but the button doesn't function (when pressed it doesn't make the light illuminate in the cluster showing it is off) then there is an issue with the button (the LED is independent of the button functionality, but all use the same connector). Do your hazards work?

Link to comment
Share on other sites

Join the conversation

You can post now and register later. If you have an account, sign in now to post with your account.
Note: Your post will require moderator approval before it will be visible.

Guest
Reply to this topic...

×   Pasted as rich text.   Paste as plain text instead

  Only 75 emoji are allowed.

×   Your link has been automatically embedded.   Display as a link instead

×   Your previous content has been restored.   Clear editor

×   You cannot paste images directly. Upload or insert images from URL.

Loading...
×
×
  • Create New...