Jump to content

Ford edge 2014 rear camera not working


Cazz

Recommended Posts

Hi there. My Fords camera stopped working last night. When I put it in reverse nothing comes on, like it doesn’t even sense that I’m in reverse. I’ve tried about 10 times to reverse and one time the screen just went black while in reverse, but no error messages. Most of the time the radio screen just stays on while backing. (Sync by my ford touch) if it means anything my rear parking aid sensors have been offline for over a year now but the camera has always worked perfectly. Tried the soft reset thing (audio power button and seek up) but it didn’t reset

Link to comment
Share on other sites

Welcome to the Forum @Cazz!

 

From the 2014 Edge Workshop Manual...

 

Placing your device cursor over underlines acronyms may yield popup full-words descriptions of the acronyms.

 

Parking Aid — Video - Principles of Operation

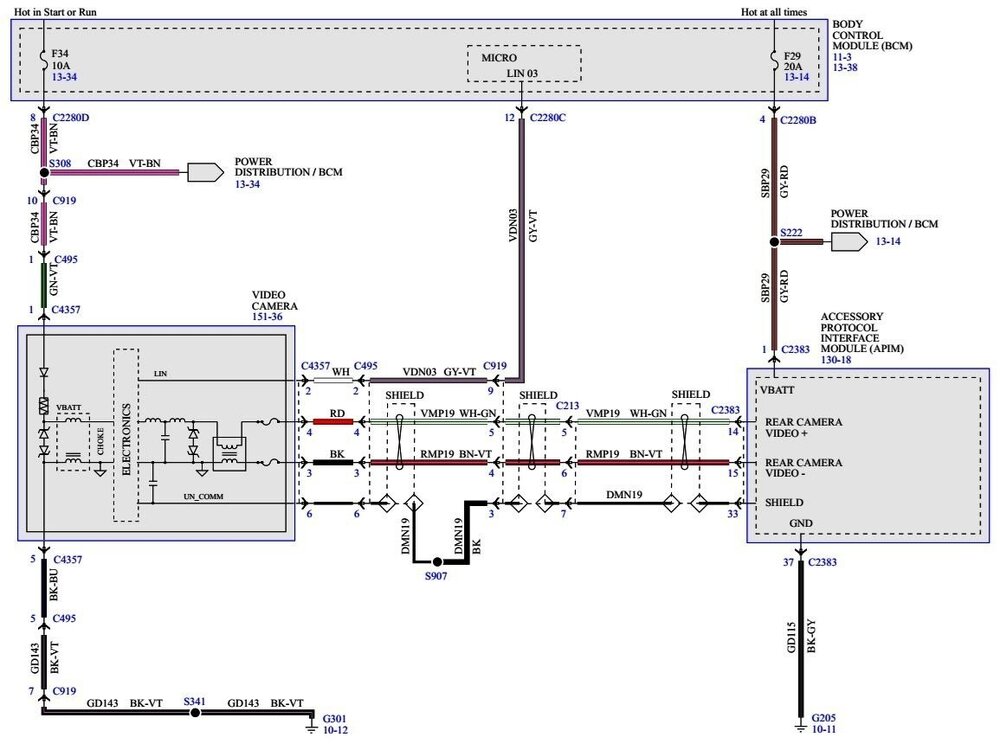
The rear video camera system is active with the ignition in run and the transaxle selector in the REVERSE (R) position. The video camera receives commands and sends status over a dedicated Local Interconnect Network (LIN) to the Body Control Module (BCM) . The video camera sends a video signal to the Accessory Protocol Interface Module (APIM) (vehicles equipped with a 8 in (203.2 mm) touchscreen) on a pair of shielded video circuits. The APIM sends the video signal to the Front Display Interface Module (FDIM) (mounted to the APIM ) which displays the video image of the area behind the vehicle.

 

 

The messages sent from the BCM to the video camera are:

  • transmission selector (PRNDL) status
  • liftgate ajar status
  • camera configuration data
  • display manual zoom request
  • parking aid audible warning status
  • parking aid sensor distance to object data

The messages sent from the video camera to the BCM are:

  • camera status
  • display zoom status
  • camera part number data
  • visual park aid alert status
  • fixed guideline status

 

  Visual Inspection Chart

 

Mechanical   Electrical  
  • Liftgate and video camera
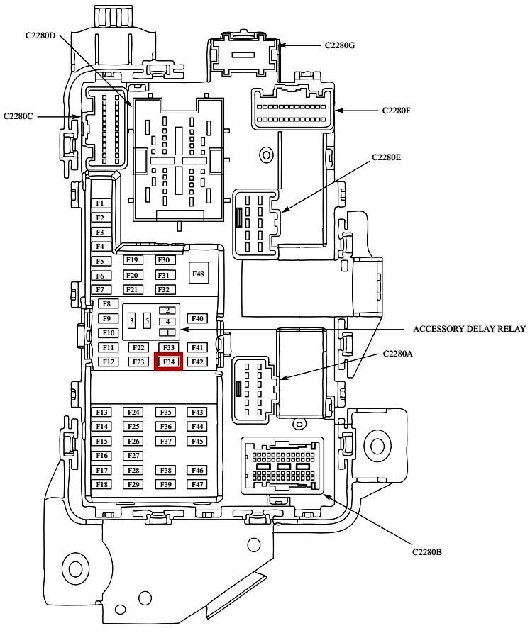
  • Body Control Module (BCM) fuse 34 (10A)
  • Wiring, terminals and connectors
  • Video camera
  • Front Display Interface Module (FDIM) (If equipped with 8 in (203.2 mm) touchscreen

 

Body Control Module (BCM) Illustration with Fuse 34 (10 amp) location identified...

 

BCM-Fuse34Location-2014Edge.thumb.jpg.e60ecdf362564e0dd21ee306eb29319c.jpg

 

image.png.72eb47f0f7dc0c1638e06e6e95c11dcf.png

image.png.98afbfa2d73d66625a0c9ef30d98f45a.png

 

If Fuse 43 is intact and not blown, then it would be useful to have your Edge scanned for Diagnostic Trouble Codes (DTCs), which may provide guidance toward correcting the rear camera video issue and the inactive Parking Aid sensors issue. If you or a friend or family member does not have this capability, then contact your local independent auto parts store or a national-brand auto parts store to see if they can scan your Edge and provide you a list of any DTCs found.

 

image.png.205567c6d495dfb3ae5718ef2f19167c.png

image.png.07476088bc489ceb7da99a924f3da118.png

 

image.png.5174a1516732148b2d8b7731f8644282.png

image.png.1a5cf4c22ed5551aa9b58471338cd77b.png

 

image.png.a9493ead8fba1302fafb4bd89aaaf4a8.png

 

 

Rear View Camera  Wiring Diagram - SYNC 2 - MyFord Touch

 

RearViewCameraWiringDiagram-SYNC2-MyFordTouch-2014Edge.thumb.jpg.f0df4468c84414b14ce4e398a6271626.jpg

 

 

 

Parking Aid - Principles of Operation

The parking aid sensors detect objects approximately 152 cm (60 in) from the rear of the vehicle, 50 cm (20 in) from the rear side of the vehicle, and 30 cm (12 in) above the ground. The Parking Aid Module (PAM) calculates the distance to an object within the 170 degree semicircular azimuth area around the rear of the vehicle.

 

The parking aid system is enabled when the ignition switch is in the RUN position and the transmission in reverse. The parking aid system is disabled if a fault is detected in 1 of the 4 sensors, the parking aid speaker, or the PAM . This is indicated by a parking aid disabled warning message in the message center.

 

The parking aid system is enabled and disabled through the message center, located in the Instrument Panel Cluster (IPC) .

 

Visual Inspection Chart

 

Electrical  
  • Body Control Module (BCM) fuse 34 (10A)
  • Wiring, terminals or connectors
  • Parking aid sensors

 

image.png.0abc36b1048ee7b4c79dac42da63bf6c.png

image.png.91fcc29c273fef878a06d87b7d28ce51.png

 

 

Symptom Chart

Condition Possible Causes Action

  • The parking aid is inoperative
  • Wiring, terminals or connectors
  • Parking aid sensor alignment
  • PAM
  • Rear bumper

 

 

 

Parking Aid Module and Sensors and Speaker Wiring Diagram

 

ParkingAidModuleandSensorsandSpeakerWiringDiagram-2014Edge.thumb.jpg.8bb73c21fcc43f2f25f10b4455a9f623.jpg

 

 

If you are inclined toward do-it-yourself diagnosis and repair, then I can provide the Pinpoint Test(s) that are indicated by DTCs revealed from having your Edge's electronic modules scanned.

 

On the other hand, if you prefer to have a professional technician address the problem, then if you have your Edge scanned first, any resulting DTCs, combined with the information provided here, can provide you talking points with a professional technician.

 

Good luck!

 

Edited by Haz
  • Like 2
Link to comment
Share on other sites

  • 2 weeks later...

Try pulling the fuse, start the car, then shut it off, open and close the drivers door, replace the fuse, start the car again and put in reverse. Fellow in another forum reported it worked for him. Probably a defective camera or possible corrosion on the camera connector.

 

As for the reverse sensors, corrosion at the external connectors or defective wiring are the usual culprits. Quick visual check can eliminate these possibilities. (Car been deep water? Corrosion on connectors.) (If yes, also change rear axle fluid. RDU is vented.)

Link to comment
Share on other sites

Join the conversation

You can post now and register later. If you have an account, sign in now to post with your account.
Note: Your post will require moderator approval before it will be visible.

Guest
Reply to this topic...

×   Pasted as rich text.   Paste as plain text instead

  Only 75 emoji are allowed.

×   Your link has been automatically embedded.   Display as a link instead

×   Your previous content has been restored.   Clear editor

×   You cannot paste images directly. Upload or insert images from URL.

Loading...
×
×
  • Create New...